
刀片简介
跟着市场的快速发展,刀片行业对刀片的要求越来越高,就是分切、裁切、最常用的刃具,其质量与加工技术有着紧密亲密的关系,缩短出产加工周期、减少加工本钱具有重要的意义,刀片的大多数详覆细参数,这些参数决定着刀具的加工能力和切削机能。选择每一种刀片时要根据分切的材料的种类、分切速度、分切方向、送料速度、分切宽度等具体的参数进行准确的选择。
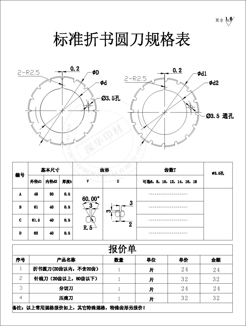
常用规格
外径68mmx45x0.5mm
外径62mmx40x0.5mm
外径53mmx30x0.5mm
外径48mmx36x0.5mm
6齿/8齿/10齿/12齿/14齿/16齿/20齿/......
非标产品可根据客户提供的产品图纸、规格要求加工定做。

深华简介
本公司批发销售优质的包装器材:进口海棉条,刀版弹垫,过桥海棉,清废海棉,高精密手动制模模切海棉,圆压圆模切沟姆海棉,回力胶,优力胶,弹力胶,电子刀版弹垫,(BOETTCHER)拱形胶条,切纸机胶条,西途(CITO)压痕线,反压线,(SKOR)压痕线,(CROCS)压痕线,(VOSSEN PROFITAPE)补底纸;瑞典山特维克模切刀(SANDVIK),奥地利宝拿模切刀(BOHLER),日本模切刀(TSUKATANI), 奥地利牛头模切刀,台湾宏树模切刀,台湾高点模切刀,三利模切刀,(DOLE)模切刀,(BOETTCHER)模切刀,胶纸,拉伸膜,等500多种高端产品。

产品规格图纸

热销产品
深华热销产品
![]() |
||
| 13715362575 | ||
| 公司电话:0755-28126049 | ||
| 销售电话:0755-23031003 | ||
| 公司传真:0755-28030037 | ||
| 客服邮箱:shyc123@vip163.com | ||
| 地址: | 深圳市龙华新区大浪街道伟杰科技园2栋1楼 | |
公司电话:0755-28126049
公司电话:0755-23031003
移动电话:13163786499
公司传真:0755-28030037
公司邮箱:sz@shyc123.com
公司地址:深圳市龙华新区大浪街道伟杰科技园2栋1楼
English




























